离心泵

当前位置:网站首页 >> 产品中心 >> 离心泵 >> XSL立式中开泵

离心泵

XSL立式中开泵

XSL型立式中开泵为立式安装,吸入口和排出口为水平方向,离心泵体和中开泵盖的分离面在轴心线上垂直分离,维修时不需要拆卸进水、出水回水管和电机。提起泵盖并拆下转子组件。泵的上轴采用滚动轴承,用润滑脂润滑,轴承体上没有冷却腔。泵的下轴承是一个导向轴承,由中开式离心泵本身的水进行润滑和冷却。轴封采用软填料密封和机械密封两种形式。
Details

概述

SL型立式中开泵为立式安装,吸入口和排出口为水平方向,离心泵体和中开泵盖的分离面在轴心线上垂直分离,维修时不需要拆卸进水、出水回水管和电机。提起泵盖并拆下转子组件。泵的上轴采用滚动轴承,用润滑脂润滑,轴承体上没有冷却腔。泵的下轴承是一个导向轴承,由中开式离心泵本身的水进行润滑和冷却。轴封采用软填料密封和机械密封两种形式。

主要用于重型水厂,如:

•建筑供水,

•灌溉,

•排水泵站,

•电站,

•工业供水系统,

•消防系统,

•造船业等。

•住宅供水和加压,

•工业锅炉给水,

•空调系统,

•循环水,

•水处理

•反渗透系统,

•食品工业

•制药行业。


优势

立式中开式泵叶轮的水力设计采用了先进的CFD技术,从而提高了S泵的水力效率。动态平衡叶轮,确保该泵平稳运行。


结构

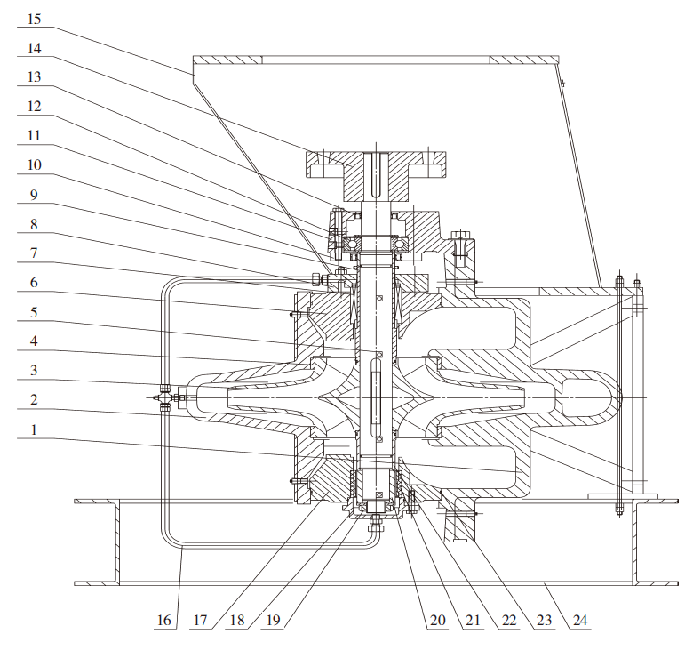
1

Casing

2

Casing cover

3

Impeller

4

Wearing ring

5

Shaft

6

Seal housing

7

Packing seals or mechanical

8

Packing gland or mechanical

9

Shaft sleeve

10

Bearing cover

11

Bearing support

12

Bearing

13

Framework oil seal

14

Coupling

15

Motor stool

16

Water sealing pipe

17

Guide bearing seal housing

18

Guide bearing gland

19

Lock nut

20

Shaft sleeve

21

Guide bearing

22

Shaft sleeve

23

O-ring

24

Base

产品详情

产品名称

vertical split case pump

口径

80-250 mm

流量

126~4050m3/h

扬程

13.5~142m

功率

22~1000kW

泵体材质

Cast Iron, SS304, SS316, Duplex Stainless Steel

叶轮材质

Cast Iron, SS304, SS316, Duplex Stainless Steel, Bronze


Send Inquiry
浙江扬子江泵业有限公司版权所有