真空泵

当前位置:网站首页 >> 产品中心 >> 真空泵 >> 2SK水环真空泵

真空泵

2SK水环真空泵

SK和2SK系列水环真空泵用于压缩气体和其他非腐蚀性、水不溶性和纯度气体(允许少量液体与气体混合),在密闭容器中形成真空或压力,以满足各种应用的要求。
Details

概述

SK和2SK系列水环真空泵用于压缩气体和其他非腐蚀性、水不溶性和纯度气体(允许少量液体与气体混合),在密闭容器中形成真空或压力,以满足各种应用的要求。

Model SK is single stages liquid ring vacuum pump 

SK型是单级液环真空泵

Model 2SK is double stages liquid ring vacuum pump 

2SK型是双级液环真空泵

它们可以满足不同的最终真空要求。


液环真空泵偏心安装在带有多叶片转子的泵壳中。当它旋转时,它将液体抛向泵壳并形成与泵壳同心的液体环。液体环和转子叶片形成具有周期性容积变化的旋转可变容积真空泵。当工作液体为水时,称为水环真空泵。

结构

Structure of 2SK Liquid ring vacuum pump 

应用

SK和2SK系列水环真空泵,在工作过程中,这种类型的泵在等温状态下压缩气体,因此在泵送易燃易爆气体时安全运输。如今,它广泛应用于:

·一般制造业

·金属制品工业

·食品加工

·石油工业

·涂料工业

·采矿

·化学工业

·油气

·纸张及相关产品

·塑料

·砖挤压

·纺织工业

·汽车工业

·电力和公用事业

·水泥及相关产品

·机械、石油

·化学、药物

·食物、糖

·陶瓷

·印染、冶金

·电子工业。


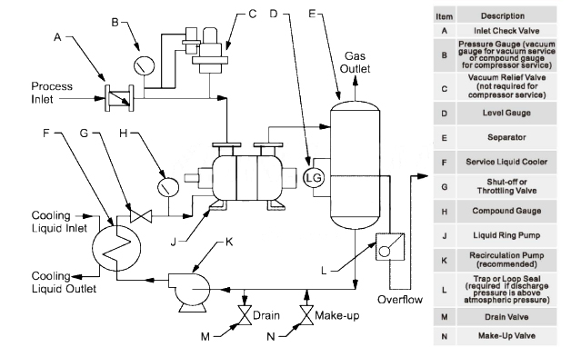
Typical Installation of Closed Loop with Total Recovery:

Typical Installation of Closed Loop with Total Recovery 

Gas Jet Vacuum Ejector Installation way

Gas Jet Vacuum Ejector Installation way 

规格数据

型号

尺寸

极限真空

最大空气流量

功率

转数

耗水量

泵直径

kpa

m3/min

KW

Rpm

L/min

mm

SK

1.5

8.3

1.5

4

1440

15

70

3

3

5.5

1440

20

70

6

6

11

1440

30

80

9

9

15

970

50

80

12

12

18.5

970

50

80

15

15

30

730

60

150

20

20

37

730

60

150

30

30

55

730

100

150

42

42

75

730

130

150

2SK

1.5

3.3

1.5

7.5

1440

15

40

3

3

7.5

1440

20

40

6

6

15

1440

30

70

9

9

18.5

970

50

100

我们是谁

我们很荣幸为您提供水环真空泵。我们可以为不同的应用提供各种水环真空泵系统。如果您正在寻找单级或双级水环真空泵供应商,请免费联系我们,我们将发送更多信息和价格等。

Send Inquiry
浙江扬子江泵业有限公司版权所有